Originally posted by surfenstein
Announcement
Collapse
No announcement yet.
turbo peaks out
Collapse
X
-
Assuming it's not an electrical fault (the TPS and pressure sensor being ok):Originally posted by sledgeyep all ok
IIRC, there's a vacuum hose that goes down to the fuel pump that actually causes the extra fuel to be delivered -- check that it's not perished or damaged; any bleeding at the pump end could cause power drops.
Comment
-
Lots of suggestions here but some are not relevant, such as TPS. If he also has a Turbo Pressure Sensor then he will not have a Boost Compensator on the pump. This is what has the vacuum hose menioned above. Model and Frame number will help in determining exactly what is and is not on the vehicle otherewise everyone is just guessing.
Nev
Comment
-
it's a pre face lift one. with machanical fuel pump, non efi engine 2.4 ln130Originally posted by NiftyNevLots of suggestions here but some are not relevant, such as TPS. If he also has a Turbo Pressure Sensor then he will not have a Boost Compensator on the pump. This is what has the vacuum hose menioned above. Model and Frame number will help in determining exactly what is and is not on the vehicle otherewise everyone is just guessing.
Nev
Comment
-
ok then. This may help.Originally posted by sledgeyep i do
http://www.toyotasurf.asn.au/forum/viewtopic.php?t=8972
Nev
Comment
-
Sorry I can't. I don't have one and never had any experience with them. If you post on the Aussie forum in that thread then maybe Terry can help.Originally posted by sledgei've had a read through of the posts nev but i'm still unsure of how i can go about fixing it. could you give it to me in basic, so i can sort it cheers
Nev
Comment
-
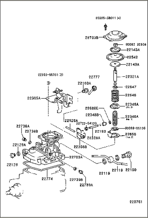
on some of the fips ive had apart there is a diaphram part no 22542 maybe that has a split in it.Last edited by surfenstein; 6 December 2007, 16:51.www.overfab.uk
Comment


Comment