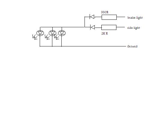
I think this is what you are trying to do. You can add as many LEDs as you like, wired in parallel with each other. The diodes will stop the brake light circuit back feeding the side lights and vice versa.
		
							
						
					Announcement
				
					Collapse
				
			
		
	
		
			
				No announcement yet.
				
			
				
	
Question for the LED knowlageable
				
					Collapse
				
			
		
	X
- 
	
	
		
		
		
		
		
		
		
	
	
Unless you design the circuit to run on the threshold at optimum conditions, (which would be silly at best), they are fairly moot considerations.Originally posted by Robmatthews View Postjust to make it a little more confusing you need to take into account two main things leds ARE affected by temperature change and you need to reduce your forward current as the temperature rises,if you dont it goes POP.2nd you need to take into account the varying voltages from 12 volts(ish) with engine off and 13.9(ish) volts when engine running as this affects the current, see below on an example of led that is 3.4 volt rated
Comment
 - 
	
	
		
		
		
		
		
		
		
	
	
Yes thats about the size of it, thanks, looking for something to house them in and then ready to have a go,Originally posted by SoundsDigital View PostI think this is what you are trying to do. You can add as many LEDs as you like, wired in parallel with each other. The diodes will stop the brake light circuit back feeding the side lights and vice versa.
Rob! i know they are finniky buggers but i think with the correct resistors they will work without to much danger of blowing, there all going to be red with the same forward voltage (3.4v i think) so there's no differing values to worry about,Too young to die and too old to give a toss
Comment
 - 
	
	
		
		
		
		
		
		
		
	
	
I would have thought if you mount them all on a strip of vero board / strip board then you could just drop it into a clear plastic tube, or box with a perspex strip in one side. You could then paint it with the stuff they use on tail lights to make it look pretty. If you are more ambitious, you could drill holes in a plastic box and poke the LEDs through the holes but unless you are absolutely perfect with the hole alignment it will look horrible.
How about using a DVD or video cassette case with holes in the spline to push the LEDs through or a clear cassette tape case painted black with just around the LEDs painted in the tail light paint?
Comment
 - 
	
	
		
		
		
		
		
		
		
	
	
Drill holes in hardboard/aluminium sheet for the L.E.D's to protrude through, secure them in place with hot melt if required, then you have all the wires available behind the plinth. Run a single rail, (I usually use a solid copper ground wire around 1.5mm), with all the neg's connected, and then do whatever with the positives. All you need then is some of the red acrylic? like they use on PAR lamps to diffuse and give it a true red appearance. What you then house it in at the rear is upto you. It only has to make it touchproof, no more.Originally posted by POPEYE View PostYes thats about the size of it, thanks, looking for something to house them in and then ready to have a go
Comment
 - 
	
	
		
		
		
		
		
		
		
	
	
I was thinking of useing a strip of mains wireing plastic conduit without the clip on top strip, the wide one so i can fit four deep , i have some clear perspex i can cut to suit, mount the leds on strips of styreen sheet cut to width and joined together (modeling glue will do for that,)
been makeing these while waiting for the rest of BDT's stuff to arrive, i used a common neg Matt, just stripped a lenght of wire and tinned it, i found that you cant mix the colours on a parallel set up tho, the reds are 1.8 fv and the blues are 3.2fv (got it wrong in the previous post) so when connected up only the reds lit up, so i've put resistors on each led, otherwise i'd have had to run two supplys, one for red and the other for blue, and space was tight,
these are gonna come on with the interior light
		
							
						Last edited by POPEYE; 4 May 2008, 18:14.Too young to die and too old to give a toss
Comment
 

Comment