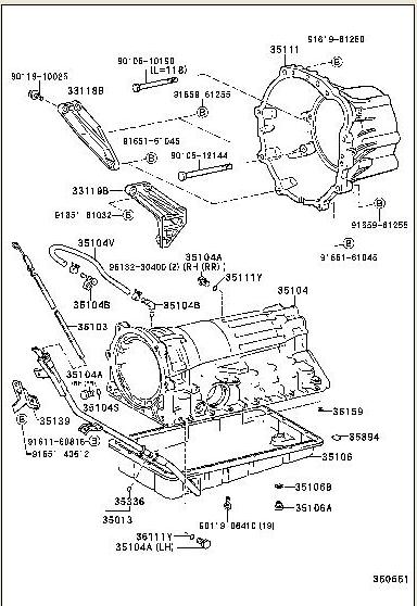
Can any one help with the part No. for the front seal on the auto gearbox as mine don't seal no more
and I have more gear box oil on the road than in the box
and I have more gear box oil on the road than in the box

and I have more gear box oil on the road than in the box 
disco now gone aswell
Comment