Hi
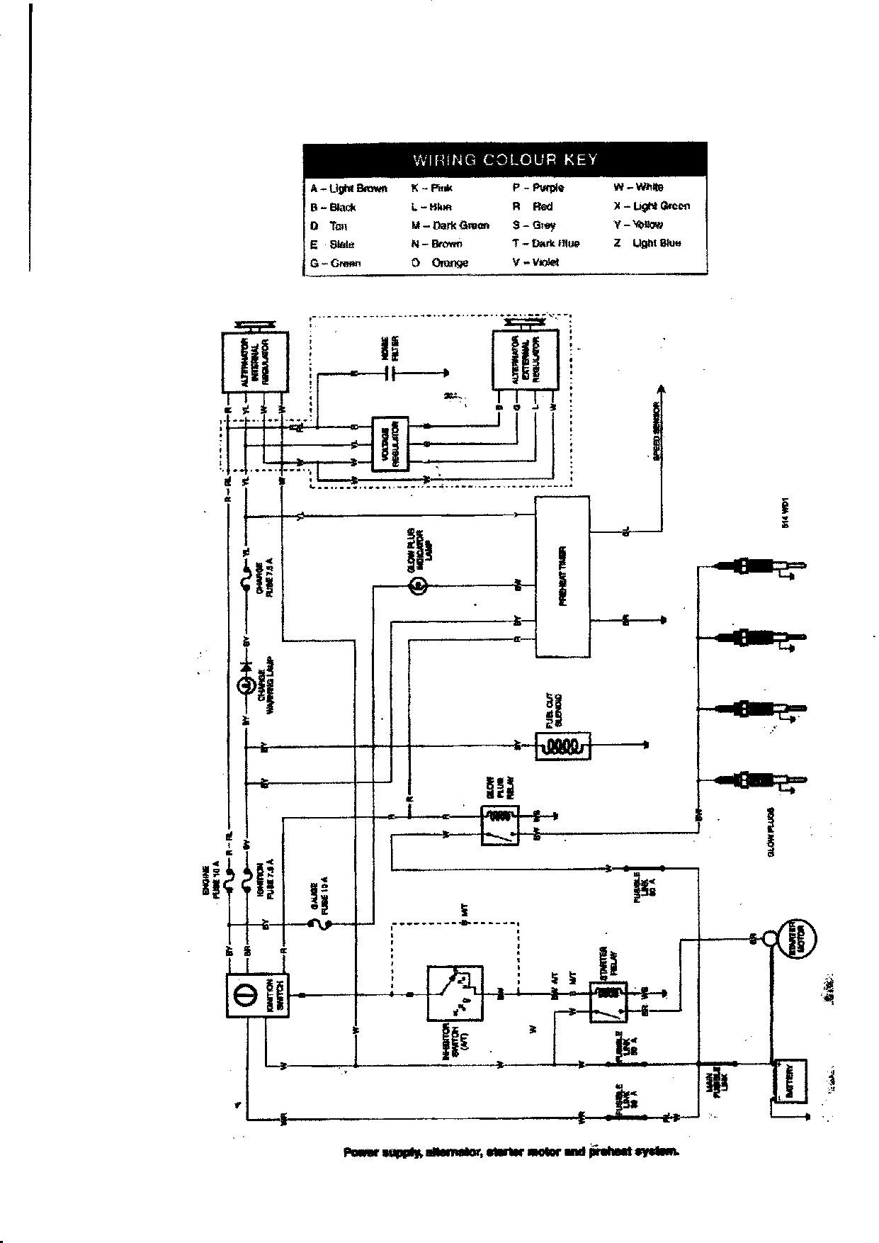
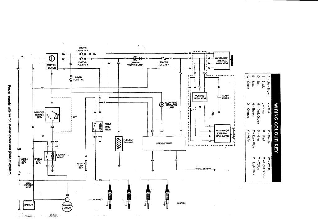
My little sisters 2.4Td is currently at the local Toyota dealership and they have come up with these offending codes, they had the car as it was slug like. The prob is they are saying they cant help as they do not have the wiring diagram as its an import. I said I would get the info and relay back to them!!
Very grateful if you guys could throw some light on these faults and the way forward.
Many thanks
Cometopapa
My little sisters 2.4Td is currently at the local Toyota dealership and they have come up with these offending codes, they had the car as it was slug like. The prob is they are saying they cant help as they do not have the wiring diagram as its an import. I said I would get the info and relay back to them!!
Very grateful if you guys could throw some light on these faults and the way forward.
Many thanks
Cometopapa


Comment