yobit eobot.com

Announcement

Collapse
No announcement yet.

Spring Spacers

Collapse
X
 
  • Filter
  • Time
  • Show
Clear All
new posts

  • #16
    Originally posted by jaky cakes
    Hi Laser jock - would you be so kind as to email me a copy as well, i have a mate who works in a machining type shop who owes me a favour!!
    hiluxsurf@tiscali.co.uk
    many many many thanks
    Ali


    Get a shed load of them made then sell them on here.

    Comment


    • #17
      Originally posted by BUSHWHACKER
      Get a shed load of them made then sell them on here.
      I think he only owes me a pair of favours!!!
      but I may persuade him with the magical powers of Stella
      Everyone thinks I'm paranoid!!

      Comment


      • #18
        hehe or a percentage of the sales.

        Comment


        • #19
          Originally posted by laser_jock99
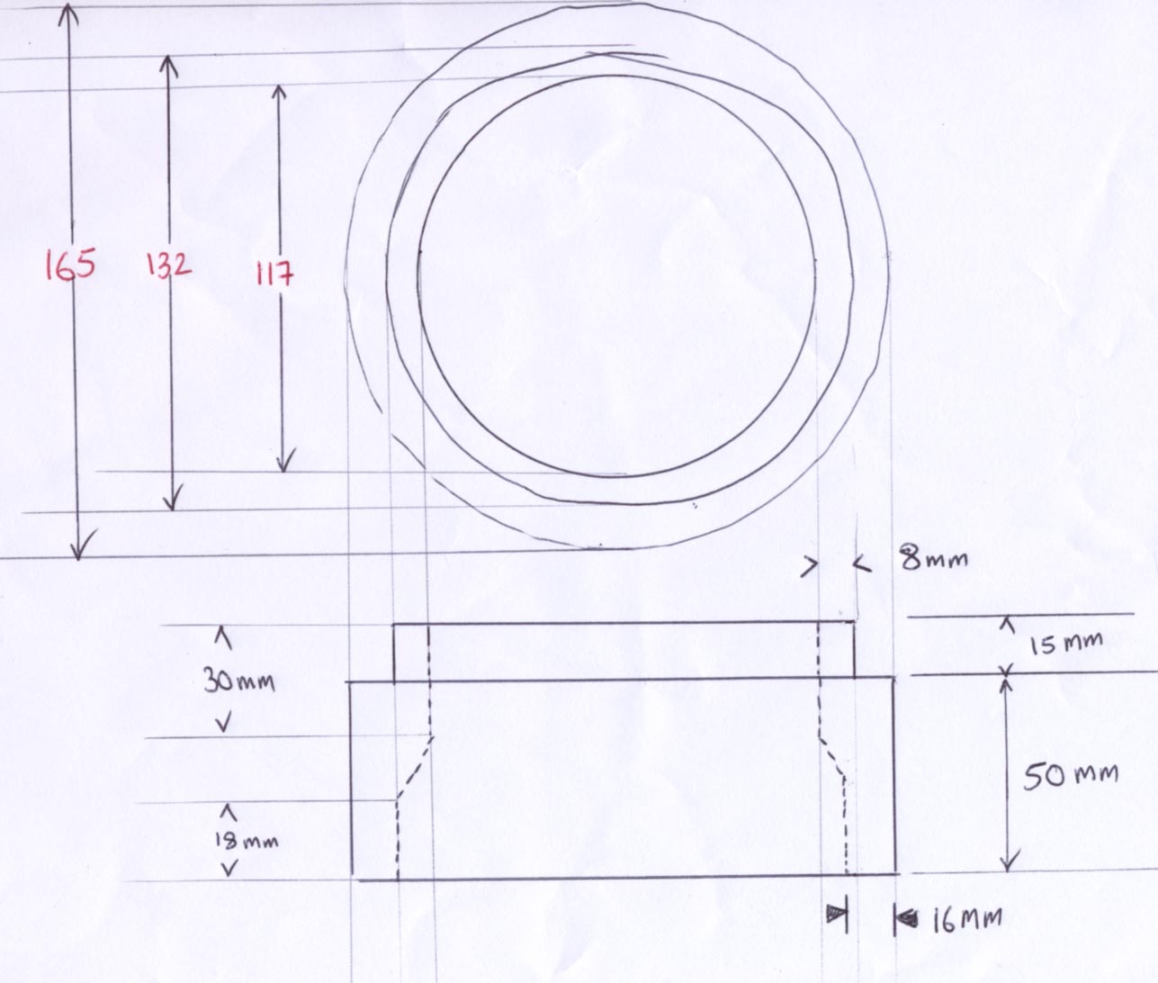
          I could probably dig out the plans for them if you want to get an engineering shop to turn some for you?
          Appologies for the quality of the sketch- but all the required dimensions are there!
          Attached Files

          Comment


          • #20
            Do you think they would be o.k. in mahogany? I've got a bit lying around in the workshop.

            Comment


            • #21
              nah mahogany is horrible to turn.. got any sycamore?
              it's in me shed, mate.

              Comment


              • #22
                Yeah you're right there, I've got a chunk of Elm and a bit of Iroko and Welsh Oak.
                Oh and some beech.

                Comment


                • #23
                  Originally posted by BUSHWHACKER
                  Yeah you're right there, I've got a chunk of Elm and a bit of Iroko and Welsh Oak.
                  Oh and some beech.

                  Acetal or Delrin would better....less prone to woodworm!!
                  _________________
                  Nevillef

                  Comment


                  • #24
                    yeah but the timber merchant was out of both!
                    it's in me shed, mate.

                    Comment


                    • #25
                      just recieved spring spacers from roger brown.

                      ordered on the 27th, recieved today 1st. 5 days from the states cant be bad.

                      cheers scotty

                      Comment

                      Working...
                      X