Hi, I started this post in another section.
http://www.yotasurf.co.uk/forums/showthread.php?t=8813
I had booked in the Surf to Ron Brooks a good Toyota dealership in Ilkeston, unfortunately they have not got access to a wiring diagram and as such had no luck in their search for the problem.
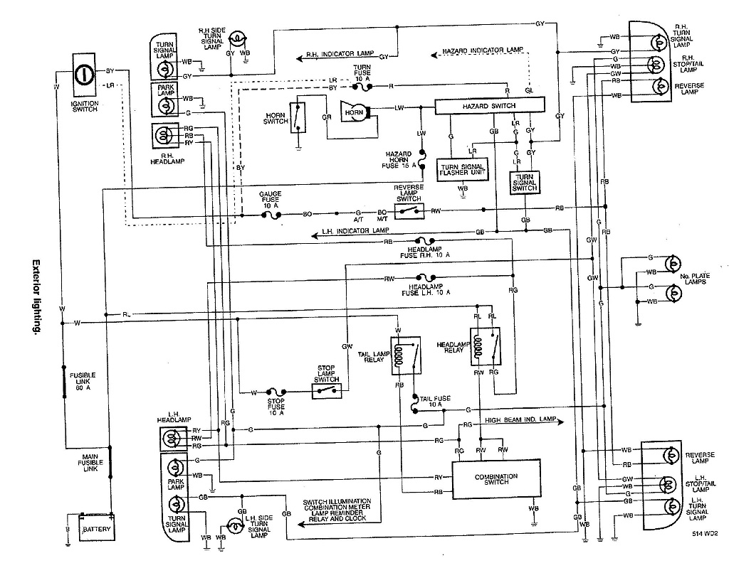
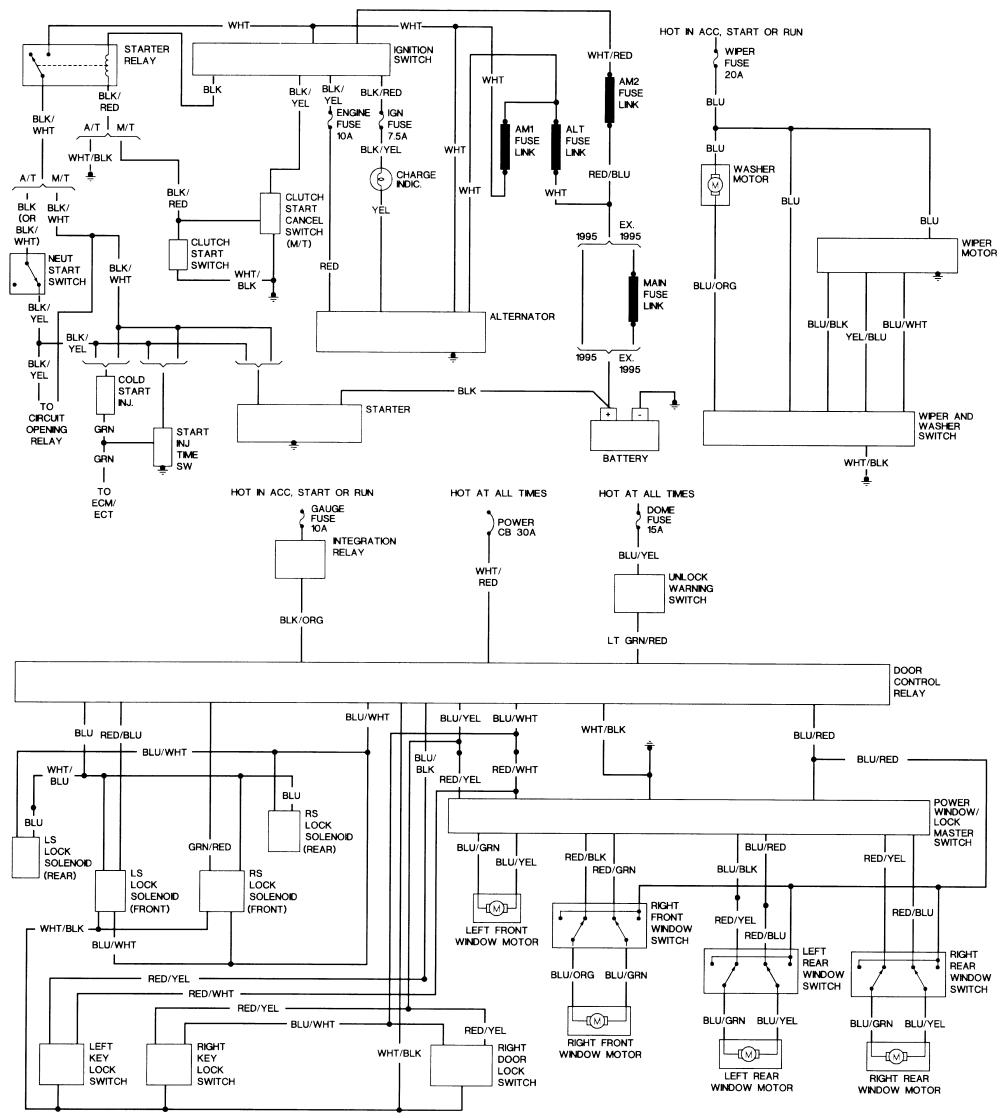
Does anyone have access to a Wiring Diagram for my 93 SSR-G 2.4TD or know of a link to one so I can check one out??
Regards
Matt
					http://www.yotasurf.co.uk/forums/showthread.php?t=8813
I had booked in the Surf to Ron Brooks a good Toyota dealership in Ilkeston, unfortunately they have not got access to a wiring diagram and as such had no luck in their search for the problem.
Does anyone have access to a Wiring Diagram for my 93 SSR-G 2.4TD or know of a link to one so I can check one out??
Regards
Matt


  
							
						
 
Comment