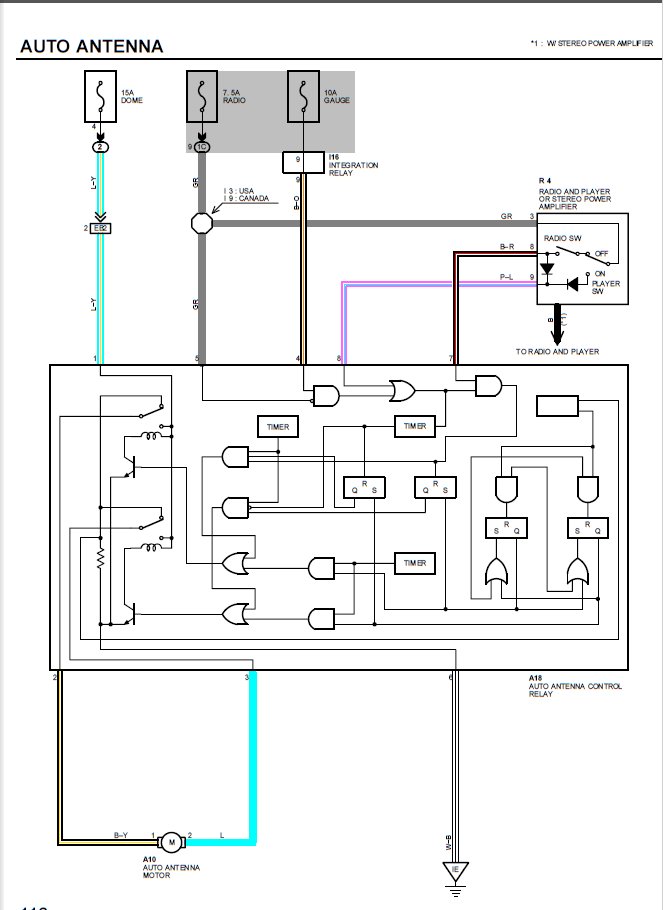
Anyone got any ideas as to where I should be looking....
Aerial not going up or down.
Power from the radio for the aerial.
No power at the relay box.
Anyone got any ideas as to where I should be looking....
					Aerial not going up or down.
Power from the radio for the aerial.
No power at the relay box.
Anyone got any ideas as to where I should be looking....


Comment