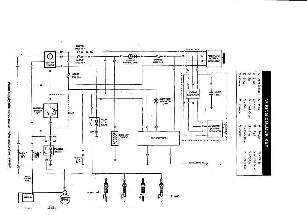
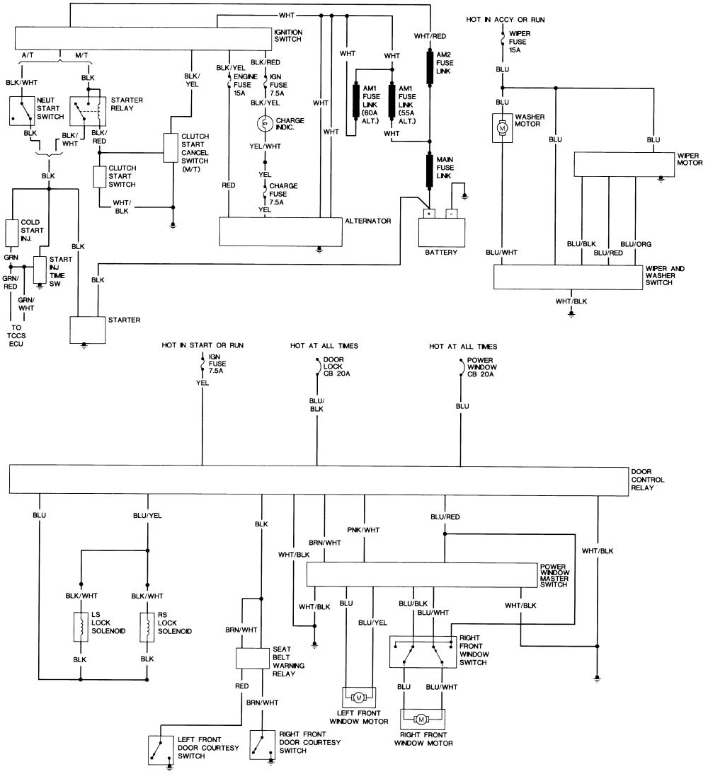
Got huge problems with my Surf, removed and rebuilt the engine and now have an electrical nightmare ( see http://www.yotasurf-online.co.uk/pub...ead.php?t=6724 ). Got a mechanic on the case but he needs wiring diagrams for the ecu and injector pump. I have a manual from Austrailier and the haynes hilux job but neither of them help.
							
						
					Announcement
				
					Collapse
				
			
		
	
		
			
				No announcement yet.
				
			
				
	
Please Help, wiring diagrams needed
				
					Collapse
				
			
		
	X


							
						
Comment