yobit eobot.com

Announcement

Collapse
No announcement yet.

@ Pops

Collapse
X
 
  • Filter
  • Time
  • Show
Clear All
new posts

  • @ Pops

    There ya go mate
    i have the front diff and ARB spacer drawings as well if you need em
    Attached Files
    Too young to die and too old to give a toss

  • #2
    thanks buddy

    humour me here
    how thick are these spacers then?
    guessin the thickness of a lift maybe
    Last edited by pops; 9 March 2009, 19:09.
    Enjoying Life after Cancer
    Pops

    Comment


    • #3
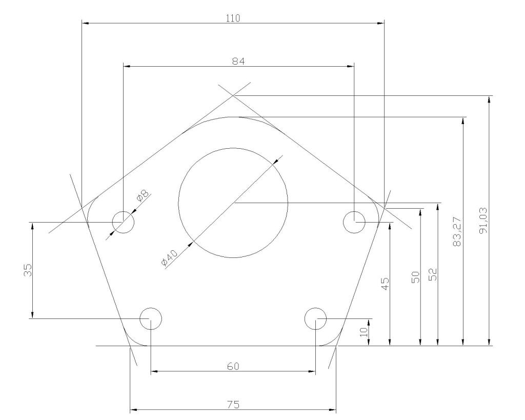
      Need to be 40-45mm thick

      Comment


      • #4
        Originally posted by Growler View Post
        Need to be 40-45mm thick
        Ta my mate taking it to college friday see if we can get some made
        Enjoying Life after Cancer
        Pops

        Comment


        • #5
          Yup! whatever lift you want up to 2" (i think) any more would seriously affect the camber/castor or whatever it's called, you could fit these and crank up the torsion bars as well,
          dont forget you'll have to grind some metal off the underside of the top wishbone with a spacer of 1 1/4" or more,
          Too young to die and too old to give a toss

          Comment

          Working...
          X